DYTH1238B_4M
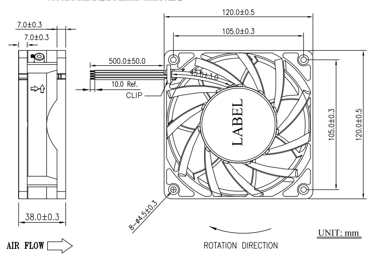
Dimension: 120×120×38 mm
- Material: Impeller: Plastic PBT (UL 94V-0) & Frame: DIECASTING ALUMINUM
- Lead Wires: UL 1007 AWG #24 or Equivalent
- Impeller: 7 Blades
- Rotational direction CCW view from front face
- Weight: 500g
- IP68
Specification
| MODEL |
Bearing Type |
Rated Voltage |
Operating Voltage Range |
Rated Current |
Rated Power |
Speed |
Air Flow |
Air Pressure |
Acoustic Noise |
Life expectancy |
PART NO.
|
SIGNAL
|
B.T.S.R
|
VDC
|
VDC
|
Amp
|
Watt
|
R.P.M.
|
m³/min
|
CFM
|
mmH₂O
|
IN H₂O
|
dB-A
|
hours |
| DYTH1238B_4M |
-FG / RD |
B |
24 |
19 to 30 |
0.72 |
17.28 |
7000 |
6.78 |
239 |
70.48 |
2.775 |
73 |
70000 |
|
| Dimension Drawing |
 |